發布時間:2019-11-05 09:24 瀏覽次數:16283
概 述: |
沖量式流量計(沖板流量計)主要應用于化工、水泥、冶金礦山、鋼廠、電解鋁、糧食加工、醫藥、水處理、環境保護等物料流體的測量。流量計可對各種物料流量進行在線連續測量,具有瞬時流量、累計流量、按比例配料、定量控制等多種輸出功能。
流量計為整體設計,杜絕了工廠產品的浪費和污染,降低了工廠維護。保證了產品質量和工廠效率。由于流量計為緊密防塵型,它可給我們提供一個健康的工作環境。特別對于有危險物質檢測的工況。
原 理: |
干燥的散裝固體物料自由落體沖擊到傳感檢測板(沖板)上后,傳感檢測板產生機械偏移。然后散裝物料流連續而無阻礙的通過。即:由于沖擊力與傳感檢測板具有一定角度,故該力分解成一個水平分力和一個垂直分力。垂直分力由變送器的機械結構克服而不起作用,而水平分力有一個差動傳感器(線性可調差動變送器),這個信號經與之相連的積算儀檢測和處理,得出瞬時流量和累積流量。
由于只測水平分力,在非碰撞區由掛料產生的豎直重力對測量沒有影響。沒有零點漂移。也不需要頻繁再校準。

儀表配套: |
本儀表由(一次表)粉體沖量式流量變送器;(二次表)粉體沖量式流量儀;穩流裝置(一般情況下,由生產廠指導用戶設計、制造)三部分組成(需流量調解時應配流量調節器),系統配套見下圖

技術參數: |
| 產品型號 | LFD-227 | 產品型號 | LFD-229 |
| 流量范圍 |
最小流量范圍;0~200Kg/h 最大流量范圍;0~40t/h |
流量范圍 |
最小流量范圍;0~30t/h 最大流量范圍;0~200t/h |
| 精 度 | (0.3);0.5;1.0;1.5;(2.0) | 精 度 | (0.3);0.5;1.0;1.5;(2.0) |
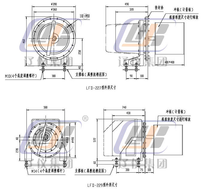
| 最大沖板尺寸 | 400×400mm | 最大沖板尺寸 | 800×800mm |
| 最大檢測板重量 | 15Kg | 最大檢測板重量 | 50Kg |
| 固體物料粒重 | ≤5%的沖板重量(一般在≤15mm) | 固體物料粒重 | ≤5%的沖板重量(一般在≤25mm) |
| 介子使用溫度 | ≤180℃ | 介子使用溫度 | ≤180℃ |
| 產品型號 | LFD-1211 | 產品型號 | LFD-129 |
| 流量范圍 |
最小流量范圍;0~750Kg/h 最大流量范圍;0~800t/h |
流量范圍 |
最小流量范圍;0~30t/h 最大流量范圍;0~200t/h |
| 精 度 | (0.3);0.5;1.0;1.5;(2.0) | 精 度 | (0.3);0.5;1.0;1.5;(2.0) |
| 最大沖板尺寸 | 1250×800mm | 最大沖板尺寸 | 800×800mm |
| 最大檢測板重量 | 80Kg | 最大檢測板重量 | 50Kg |
| 固體物料粒重 | ≤5%的沖板重量(一般在≤80mm) | 固體物料粒重 | ≤5%的沖板重量(一般在≤25mm) |
| 介子使用溫度 | ≤180℃ | 介子使用溫度 | ≤180℃ |
沖量式流量變送器


應用實例: |
|
計測管理
|
定量給料裝置
|
|
高精度定量給料裝置
|
間歇給料
|
|
比例配料
|
自動配料
|
適合于各種給料裝置: |
|
皮帶給料機
|
|
螺旋及鏈式給料機
|
|
旋轉給料機
|
|
滑道
|
|
振動給料機
|
|
圓盤給料機 |
|
斗式提升機機
|
|
空氣送料 |
LFD- -Y型系列計量控制系統與處理: |
◇適用范圍:
多功能的LFD-XXX-Y型系列計量控制與處理系統是專為電解鋁凈化系統氧化鋁濃相氣力輸送計量而設計的,根據流量選用不同型號的沖板流量計。
◇原理敘述:
新鮮氧化鋁經風動溜槽進入本系統。經過分料器將物料分為兩路,分別進入除砂裝置,進行除砂后匯入集料器進入集料箱,在此除渣。氣體由排氣口引出,物料堆積到料位計時,開關控制給料器給料,沖板流量計開始計量,流量積算儀顯示瞬時流量、累計流量。流量大小可根據實際生產需要通過流量調節器設定,給料器自動調節。當集料箱無料時,料位開關控制給料器自動關閉。該過程消除了高壓風對沖板流量計的影響。物料經沖板流量計的計量后進入下溜槽,直到凈化系統。當下溜槽發生堵料堆積到下料位計時,料位開關控制給料器關閉,避免下溜槽物料越堆越多,保持溜槽順暢,使生產有效均衡進行。
◇系統功能:
1、本系統具有除砂、除渣功能,使溜槽通道暢通。通過控制,對堵料、無料時時監控報警,避免設備空轉,造成資源浪費。
2、現場具有瞬時流量、累計流量,根據生產實際需要設定調節流量控制。也可在控制室內實現遠程操作。
3、上溜槽無料時,即:料倉下料口下料不順暢時;發出報警信號提醒操作人員及時處理并控制給料機自動關閉,保證物料精確計量。回復后給料機自動開啟。
4、下溜槽堵料時,發出報警信號提醒操作人員及時處理并控制給料機自動關閉,方便操作人員處理并保證物料精確計量。回復后給料機自動開啟。
5、本系統設有應急通道,在流量計出現故障時,應急通道開啟,在保證生產前提下,可方便對流量計檢修。
6、本系統在工作狀態下標定及檢修時,流量調節器箱門可不用開啟,通過手操器操作,避免粉塵入內,給儀器帶來損壞。
7、本系統配有多個視窗,可隨時觀測物料在系統內運行情況,以便發現問題,及時解決。
◇密封性:
在管路完全密封時,能夠在完全與大氣隔離的狀粉塵污染狀態下對氧化、還原性物質進行計量,并能防止對環境污染。
◇訂貨須知:
訂貨時需提供以下內容:
1、上、下之間溜槽高度;進、出料口法蘭連接尺寸;
2、流量范圍;
3、我們按用戶實際需求,根據現場情況設計不同尺寸規格的控制系統。
結構原理圖: |

LFD- -F型系列計量控制系統與處理: |
◇適用范圍:
多功能的LFD-XXX-F型系列計量控制與處理系統是專為電解鋁凈化系統載氟氧化鋁濃相氣力輸送計量而設計的,根據流量選用不同型號的沖板流量計。
◇原理敘述:
載氟氧化鋁經風動溜槽進入本系統。先進入除渣裝置。物料在此除渣。可通過視窗觀察除渣情況,料渣由排渣口排除。排渣后的料經給料機給料,通過沖板流量計進行計量進入集料箱,流量積算儀顯示瞬時流量、累計流量。流量大小可根據實際生產需要通過流量調節器設定,給料器自動調節,也可定量控制。當集料箱無料時,料位開關控制給料器自動開啟。料堆積到上料位計時,料位開關控制給料器關閉,由于載氟氧化鋁供料過程是間歇給料,為防止物料沉積,在本系統進、出料口設有氣動松動裝置,保證物料順利進出。氣體由排氣口引出。
◇系統功能:
l、本系統具有除渣功能,使溜槽通道暢通。通過控制,對堵料、無料時時監控報警,避免設備空轉,造成資源浪費。
2、現場具有瞬時流量、累計流量,根據生產實際需要設定調節流量控制,也可定量控制,實現在控制室內遠程操作。
3、集料箱設有上、下料位計,用于集料箱內料位控制。始終保證集料箱內處于有料狀態。
4、本系統為防止物料長時間沉積造成堵塞,在上、下出料口設有氣體松動裝置,定期松動。
5、本系統在工作狀態下標定及檢修時,流量調節器箱門可不用開啟,通過手操器操作,避免粉塵入內,給儀器帶來損壞。
6、本系統配有多個視窗,可隨時觀測物料在系統內運行情況,以便發現問題,及時解決。
◇密封性:
在管路完全密封時,能夠在完全與大氣隔離的狀粉塵污染狀態下對氧化、還原性物質進行計量,并能防止對環境污染。
◇訂貨須知:
訂貨時需提供以下內容:
1、上、下之間溜槽高度;
2、進、出料口法蘭連接尺寸;
3、流量范圍;
4、我們按用戶實際需求,根據現場情況設計不同尺寸規格的控制系統。
結構原理圖: |

可測物料: |
|
◇粉狀體: |
塑料原料
氯乙烯粉
可可 |
鐵粉 |
調味品 |
蘇打灰 |
|
◇粒狀體: |
各種塑料 各種肥料
小麥 |
各種谷物
動物飼料 |
土豆
飼料 |
鹽
麥芽 |
|
◇片狀體: |
石棉
煙草 |
大片
碾壓大豆 |
玉米片
米糖 |
硝化纖維
活性炭 |
|
◇塊狀體: |
合成橡膠
白云石礦廠 |
熔鐵
鋁礬土 |
鎂礦石
焦炭 |
生石灰
磨削材料 |
|
◇料漿: |
精銅礦將 |
粘土 |
預拌混凝土 |
化學中間原料 |
|
◇液體: |
各種化學藥品 |
苛性鈉 |
結晶液體 |
硫酸鋁 |
Phone: 13352349933
Tel: 0419-2122560 0419-2123500
Email: lyyb1958@163.com
Add: 注冊地址:遼寧省遼陽市白塔區衛國路67號 生產地址(郵寄地址):遼寧省遼陽市宏偉區光華街12號